產品中心 PRODUCT
詳細介紹
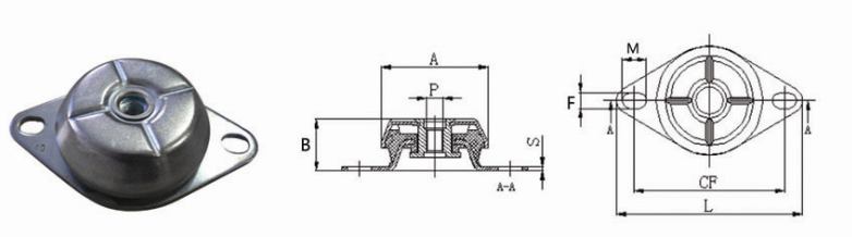
JNH型橡膠減震器產品結構圖:

| 型號 | 橡膠硬度 IRHD (daN/mm) | A | B | P | F*M | CF | L | S | Average Stiffness平均值負荷(Kg/mm) | Max Load最大荷重(Kg) | Max Deflec.最大壓縮量(mm) |
| JNH633008W | 45 | 63 | 30 | M8 | 9*14 | 89 | 110 | 2.5 | 70.0 | 140.0 | 2.0 |
| JNH633008M | 60 | 120.0 | 240.0 | 2.0 | |||||||
| JNH633010W | 45 | 63 | 30 | M10 | 9*14 | 89 | 110 | 2.5 | 70.0 | 140.0 | 2.0 |
| JNH633010M | 60 | 120.0 | 240.0 | 2.0 | |||||||
| JNH783010W | 45 | 78 | 30 | M10 | 9*12 | 110 | 135 | 2.5 | 47.0 | 108.0 | 2.3 |
| JNH783010M | 60 | 116.0 | 267.0 | 2.3 | |||||||
| JNH783012W | 45 | 78 | 30 | M12 | 9*12 | 110 | 135 | 2.5 | 47.0 | 108.0 | 2.3 |
| JNH783012M | 60 | 116.0 | 267.0 | 2.3 | |||||||
| JNH833010W | 45 | 83 | 30 | M10 | 9*13 | 110 | 135 | 3 | 65.0 | 195.0 | 3.0 |
| JNH833010M | 60 | 98.0 | 294.0 | 3.0 | |||||||
| JNH833012W | 45 | 83 | 30 | M12 | 9*13 | 110 | 135 | 3 | 65.0 | 195.0 | 3.0 |
| JNH833012M | 60 | 98.0 | 294.0 | 3.0 | |||||||
| JNH923510W | 45 | 92 | 35 | M10 | 10*15 | 124 | 150 | 3 | 50.0 | 175.0 | 3.5 |
| JNH923510M | 60 | 90.0 | 315.0 | 3.5 | |||||||
| JNH923512W | 45 | 92 | 35 | M12 | 10*15 | 124 | 150 | 3 | 50.0 | 175.0 | 3.5 |
| JNH923512M | 60 | 90.0 | 315.0 | 3.5 | |||||||
| JNH1063812W | 45 | 106 | 38 | M12 | 13*19 | 143 | 175 | 4 | 70.0 | 252.0 | 3.6 |
| JNH1063812M | 60 | 150.0 | 450.0 | 3.0 | |||||||
| JNH1254316W | 45 | 125 | 43 | M16 | 14.5*20 | 156 | 192 | 4 | 88.0 | 352.0 | 4.0 |
| JNH1254316M | 60 | 185.0 | 740.0 | 4.0 | |||||||
| JNH1505016W | 45 | 150 | 50 | M16 | 14*18 | 182 | 218 | 4 | 120.0 | 720.0 | 6.0 |
| JNH1505016M | 60 | 220.0 | 1320.0 | 6.0 | |||||||
| JNH1505020W | 45 | 150 | 50 | M20 | 14*18 | 182 | 218 | 4 | 120.0 | 720.0 | 6.0 |
| JNH1505020M | 60 | 220.0 | 1320.0 | 6.0 |

上海松夏減震器有限公司是到目前為止少有的上海老品牌減震器制造廠家,公司實力躋身全國前三,是減震器行業的翹楚,歡迎廣大新老客戶朋友來廠參觀考察.

上一篇:GDU3型管道管夾橡膠減震器
下一篇:JNCC型橡膠減震器







